²úÆ·¼ò½é£ºJD-WQX8ÐͰËÒªËØÎ¢ÆøÏóÒÇÁ¢ÒìÐԵؽ«ÆøÏó±ê×¼²ÎÊý(·çËÙ¡¢·çÏò¡¢Î¶ȡ¢Êª¶È¡¢ÆøÑ¹¡¢pm2.5¡¢pm10¡¢ÔëÉù)ͨ¹ýÒ»¸ö¸ß¼¯³É¶È½á¹¹À´ÊµÏÖ£¬£¬¿ÉʵÏÖ»§ÍâÆøÏó²ÎÊý24СʱһÁ¬ÔÚÏß¼à²â
Ò»¡¢²úÆ·¼ò½é
¡¡¡¡Íú²Æ28×÷ΪרҵÑб¬·¢²úÏúÊÛ΢ÐÍÆøÏóÒÇµÄÆóÒµ£¬£¬Ò»Ö±ÖÂÁ¦ÓÚ΢ÐÍÆøÏóÒÇºÍÆøÏóÇéÐνâ¾ö·½°¸ÍƹãÓ¦Óᣡ£¡£¡£¡£¡£¾ßÓÐÍêÕûµÄÉú²úÁ´¡¢ÊµÁ¦ÐÛºñµÄÊÖÒÕÍŶӺÍÖÜÈ«µÄÓªÏúÍŶӣ¬£¬ÎÒÃÇÑб¬·¢²úµÄ³¬Éù²¨·çËÙ·çÏòÒÇ¡¢ÎåÒªËØÎ¢ÆøÏóÒÇ¡¢ÁùÒªËØÎ¢ÆøÏóÒǺÍСÐÍ×Ô¶¯ÆøÏóÕ¾µÈÆøÏó²úÆ·£¬£¬ÒÑÆÕ±éÓ¦Óõ½ÆøÏó¼à²â¡¢¶¼»áÇéÐμà²â¡¢·çÁ¦·¢µç¡¢º½º£´¬²°¡¢º½¿Õ»ú³¡¡¢ÇÅÁºËíµÀµÈÁìÓò£¬£¬¿Í»§±é²¼Ììϸ÷µØ£¬£¬²¢È¡µÃÁËÓÅÒìµÄÉç»áÐ§ÒæºÍ¾¼ÃÐ§Òæ¡£¡£¡£¡£¡£¡£
¡¡¡¡Óë¹Å°åµÄ΢ÐÍÆøÏóÒÇÏà±È£¬£¬ÎÒ˾²úƷսʤÁ˶Ը߾«¶È¼ÆÊ±Æ÷µÄÐèÇ󣬣¬×èÖ¹ÁËÒò´«¸ÐÆ÷Æô¶¯ÑÓʱ¡¢½âµ÷µç·ÑÓʱ¡¢Î¶Èת±ä¶øÔì³ÉµÄÕÉÁ¿½û¾øÎÊÌâ¡£¡£¡£¡£¡£¡£
¡¡¡¡JD-WQX8ÐͰËÒªËØÎ¢ÆøÏóÒÇÁ¢ÒìÐԵؽ«ÆøÏó±ê×¼²ÎÊý(·çËÙ¡¢·çÏò¡¢Î¶ȡ¢Êª¶È¡¢ÆøÑ¹¡¢pm2.5¡¢pm10¡¢ÔëÉù)ͨ¹ýÒ»¸ö¸ß¼¯³É¶È½á¹¹À´ÊµÏÖ£¬£¬¿ÉʵÏÖ»§ÍâÆøÏó²ÎÊý24СʱһÁ¬ÔÚÏß¼à²â£¬£¬Í¨¹ýÊý×ÖÁ¿Í¨Ñ¶½Ó¿Ú½«°ËÏî²ÎÊýÒ»´ÎÐÔÊä³ö¸øÓû§¡£¡£¡£¡£¡£¡£²úÆ·½á¹¹½ô´Õ£¬£¬ÐÎ×´ÑŹۡ¢´ó·½¡¢¸ß¶È¼¯³É¡£¡£¡£¡£¡£¡£
¶þ¡¢²úÆ·ÌØµã
1¡¢¶¥¸ÇÒþ²ØÊ½³¬Éù²¨Ì½Í·£¬£¬×èÖ¹ÓêѩȺ¼¯µÄ×ÌÈÅ£¬£¬×èÖ¹×ÔÈ»·çÕÚµ²
2¡¢ÔÀíΪ·¢ÉäÒ»Á¬±äƵ³¬Éù²¨Ðźţ¬£¬Í¨¹ýÕÉÁ¿Ïà¶ÔÏàλÀ´¼ì²â·çËÙ·çÏò
3¡¢·çËÙ¡¢·çÏò¡¢Î¶ȡ¢Êª¶È¡¢ÆøÑ¹¡¢pm2.5¡¢pm10¡¢ÔëÉù°ËÒªËØÒ»Ìåʽ
4¡¢½ÓÄÉÏȽøµÄ´«¸ÐÊÖÒÕ£¬£¬ÊµÊ±ÕÉÁ¿£¬£¬ÎÞÆô¶¯·çËÙ¡î
5¡¢¿¹×ÌÈÅÄÜÁ¦Ç¿£¬£¬¾ßÓп´ÃŹ·µç·,×Ô¶¯¸´Î»¹¦Ð§,°ü¹ÜϵͳÎȹÌÔËÐÐ
6¡¢¸ß¼¯³É¶È£¬£¬ÎÞÒÆ¶¯²¿¼þ£¬£¬ÁãÄ¥Ëð
7¡¢Ãâά»¤£¬£¬ÎÞÐèÏÖ³¡Ð£×¼
8¡¢½ÓÄÉASA¹¤³ÌËÜÁÏÊÒÍâÓ¦ÓÃÖÕÄêÎȹÌÉ«
9¡¢²úÆ·Éè¼ÆÊä³öÐźűêÅäΪRS485ͨѶ½Ó¿Ú£¨MODBUSÐÒ飩£»£»£»¿ÉÑ¡Åä232¡¢USB¡¢ÒÔÌ«Íø½Ó¿Ú£¬£¬Ö§³ÖÊý¾Ýʵʱ¶ÁÈ¡¡î
10¡¢¿ÉÑ¡ÅäÎÞÏß´«ÊäÄ£¿£¿é£¬£¬×îС´«Êä¾àÀë1·ÖÖÓ
11¡¢Ì½Í·Îª¿¨¿ÛʽÉè¼Æ£¬£¬½â¾öÁËÔËÊä¡¢×°ÖÃÀú³ÌËɶ¯½û¾øµÄÎÊÌâ¡î
Èý¡¢ÊÖÒÕ²ÎÊý
1¡¢·çËÙ£ºÕÉÁ¿ÔÀí³¬Éù²¨£¬£¬0¡«60m/s£¨¡À0.1m/s£©·Ö±æÂÊ0.01m/s£»£»£»
2¡¢·çÏò£ºÕÉÁ¿ÔÀí³¬Éù²¨£¬£¬0¡«360¡ã£¨¡À2¡ã£©£»£»£»·Ö±æÂÊ£º1¡ã£»£»£»
3¡¢¿ÕÆøÎ¶ȣºÕÉÁ¿ÔÀí¶þ¼«¹Ü½áµçѹ·¨£¬£¬-40-80¡æ£¨¡À0.3¡æ£©£¬£¬·Ö±æÂÊ0.01¡æ£»£»£»
4¡¢¿ÕÆøÊª¶È£ºÕÉÁ¿ÔÀíµçÈÝʽ£¬£¬0-100%RH£¨¡À3%RH£©,·Ö±æÂÊ£º0.1%RH£»£»£»
5¡¢´óÆøÑ¹Á¦£ºÕÉÁ¿ÔÀíѹ×èʽ£¬£¬300-1100hpa£¨¡À0.25%£©£¬£¬·Ö±æÂÊ0.1hpa£»£»£»
6¡¢PM2.5£º0-1000ug/m3£¨¡À10%£©
7¡¢PM10£º0-1000ug/m3£¨¡À10%£©
8¡¢ÔëÉù£º30-120dB£¨¡À1.5dB£©
9¡¢¹¦ÂÊ:0.72W
10¡¢À¶ÑÀ£ºÄÚÖÃÀ¶ÑÀÄ£¿£¿é£¬£¬¿ÉÁ¬°²×¿ÊÖ»ú£»£»£»
11¡¢ÓÐÏß´«Ê䣺485תUSB£¬£¬¿ÉÖ±Á¬µçÄÔ£»£»£»
12¡¢Êý¾Ý´æ´¢£º²»ÉÙÓÚ50ÍòÌõ£»£»£»
13¡¢Éú²úÆóÒµ¾ßÓÐISOÖÊÁ¿ÖÎÀíϵͳ¡¢ÇéÐÎÖÎÀíϵͳºÍÖ°Òµ¿µ½¡ÖÎÀíϵͳÈÏÖ¤¡î
15¡¢Éú²úÆóҵΪ3A¼¶ÐÅÓÃÆóÒµ¡î
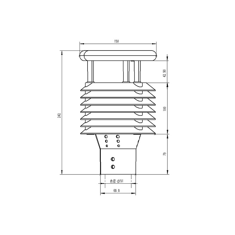
ËÄ¡¢²úÆ·³ß´çͼ

Îå¡¢²úÆ·½á¹¹Í¼

1¡¢¿ØÖƵç·
2¡¢Ö¸±±¼ýÍ·
3¡¢³¬Éù²¨Ì½Í·
4¡¢°ÙÒ¶ÏäPM2.5¡¢PM10
5¡¢Î¶ȡ¢Êª¶È¡¢ÔëÉù¡¢ÆøÑ¹¼à²âλÖÃ
6¡¢·¨À¼×ª»»Í·
¡ù´Ë²úÆ·¿ÉÑ¡Åäµç×ÓÂÞÅ̹¦Ð§
Áù¡¢²úÆ·½ÓÏß½ç˵
½ç˵ | ±¸×¢ | |
VCC | µçÔ´Õý | DC12V |
GND | µçÔ´µØ | |
485A | RS485A | |
485B | RS485B |